來源:天氏庫力 發布日期
2024-06-24 瀏覽:
金屬材料焊縫十字接頭和搭接接頭拉伸試驗按照GB/T26957-2011《金屬材料焊縫破壞性試驗十字形接頭和搭接接頭拉伸試驗方法》進行。今天小編來給大家講解一下相關知識點。
試樣
1.一般要求
1)試件的線性錯邊和角度偏差應保持最低,并記錄在試驗報告中。
2)焊縫軸線應保持與試樣的縱向垂直。
3)每個試樣應打標記以便識別其從試件的取樣部位相關標準有要求時,還應標出加工方向(例如制方向或擠壓方向)。
4)焊件接頭或試樣一般不進行熱處理,但相關標準規定或允許被試驗的焊接接頭進行熱處理除外,這時應在試驗報告中詳細記錄熱處理的參數對于會產生自然時效的鋁合金,應記錄焊接至開始試驗的間隔時間。
5)取樣所采用的機械加工方法或熱加方法不得對試樣性能產生影響。
6)應采用鋸或床加工。
7)如果采用可能影響切割面的熱切割(或其他切割)方法將試樣從試件中切取,試驗切口應距離試樣邊緣至少8mm。
8)試樣制備的最后階段應采用機械加工,應采取預防措施避免在表面產生形變硬化或過熱。試樣的受試表面應當無橫向劃痕或缺口,不得除去咬邊,除非相關標準另有要求。

2.十字接頭試樣
1)十字接頭試樣應按圖2-57的規定焊接并制備。
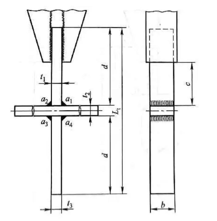
2)十字接頭試樣的尺寸應符合圖2-58的規定。

2-58 十字接頭試樣的尺寸

3.搭接接頭試樣
1)搭接接頭試件應按圖2-59的規定焊接并制備。
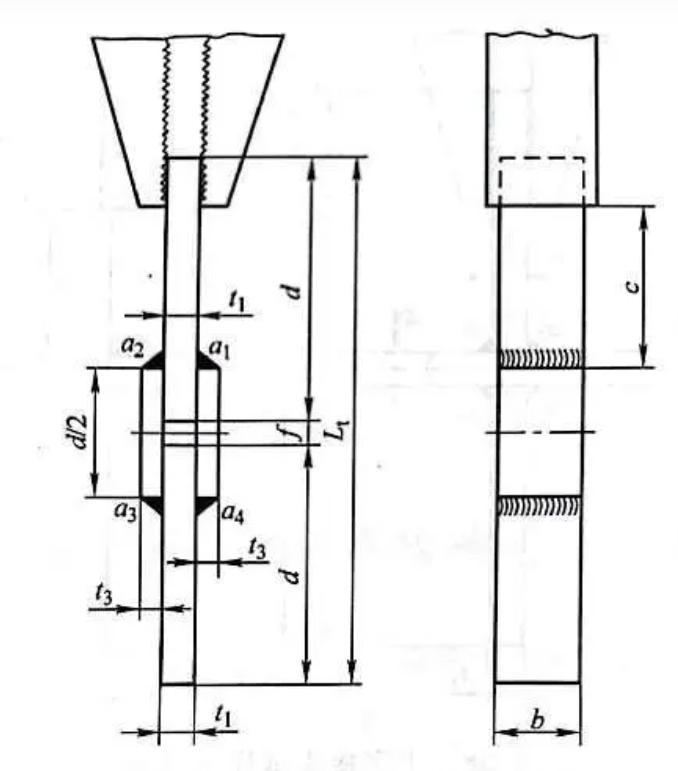
2)搭接接頭試樣的尺寸應符合圖2-60的規定。
試驗設備
金屬材料焊縫十字接頭和搭接接頭拉伸試驗所用設備及要求與室溫拉伸試驗完全相同。

試驗內容及結果表示
1.試驗要求
1)試驗開始前,應測量并記錄試樣尺寸。
2)沿焊縫軸線垂直方向對試樣連續施加拉伸力直至其破斷,加力速度應保持均勻,不得有突變。
3)除非另有規定,試驗一般應在23℃±5℃的溫度條件下進行。
4)其他試驗要求與室溫拉伸試驗相同。

2-60 塔接接頭試樣的尺寸

2.焊縫十字接頭和搭接接頭拉伸性能測定按金屬材料室溫拉伸試驗方法進行,試驗完后檢查斷裂面和記錄缺欠情況(包括種類、尺寸、數量)。如果發現有白點,應記錄其位置,白點的中心部位才可視為缺欠。若試板分層,則試驗結果無效。應在若干個點測量斷裂面寬度,每個測量點之間的距離為3a(角焊縫的有效厚度),求出斷裂面寬度平均值w。

2-61 斷裂面的寬度定義

【本文標簽】:如何,做,金屬材料,焊縫,十字街頭,和,搭接,接頭
【責任編輯】:天氏庫力 版權所有:http://m.51pingtan.com/轉載請注明出處